天合環境科技
聯系人:王經理
聯系電話:13276363312
客服QQ:2934797297
公司郵箱:2934797297@qq.com
公司地址:山東省濰坊市高新區光電路155號光電產業加速器(一期)

聯系人:王經理
聯系電話:13276363312
客服QQ:2934797297
公司郵箱:2934797297@qq.com
公司地址:山東省濰坊市高新區光電路155號光電產業加速器(一期)

一、溫濕度大氣壓噪聲傳感器產品簡介
山東天合環境科技有限公司作為專業研發生產氣象傳感器的企業,一直致力于氣象傳感器和氣象環境解決方案推廣應用。具有完整的生產鏈、實力雄厚的技術團隊和全面的營銷團隊,我們研發生產的傳感器已廣泛應用到智慧農業、氣象監測、城市環境監測、風力發電、航海船舶、航空機場、橋梁隧道等領域,客戶遍布全國各地,并取得了良好的社會效益和經濟效益。
二、溫濕度大氣壓噪聲傳感器產品特點
1、抗干擾能力強,具有看門狗電路,自動復位功能,保證系統穩定運行
2、高集成度,無移動部件,零磨損
3、免維護,無需現場校準
4、采用ASA工程塑料室外應用常年不變色
5、產品設計輸出信號標配為RS485通訊接口(MODBUS協議);可選配232、USB、以太網接口,支持數據實時讀取☆
6、可選配無線傳輸模塊,最小傳輸間隔1分鐘
三、溫濕度大氣壓噪聲傳感器技術參數
1、空氣溫度:-40-60℃(±0.3℃);
2、空氣濕度:0-100%RH(±3%RH);
3、大氣壓力:30-110Kpa(±0.25%);
4、噪聲:30-120dB(±1.5dB)
5、功率:0.12W
6、生產企業具有ISO9001質量管理體系認證和計算機軟件注冊證書
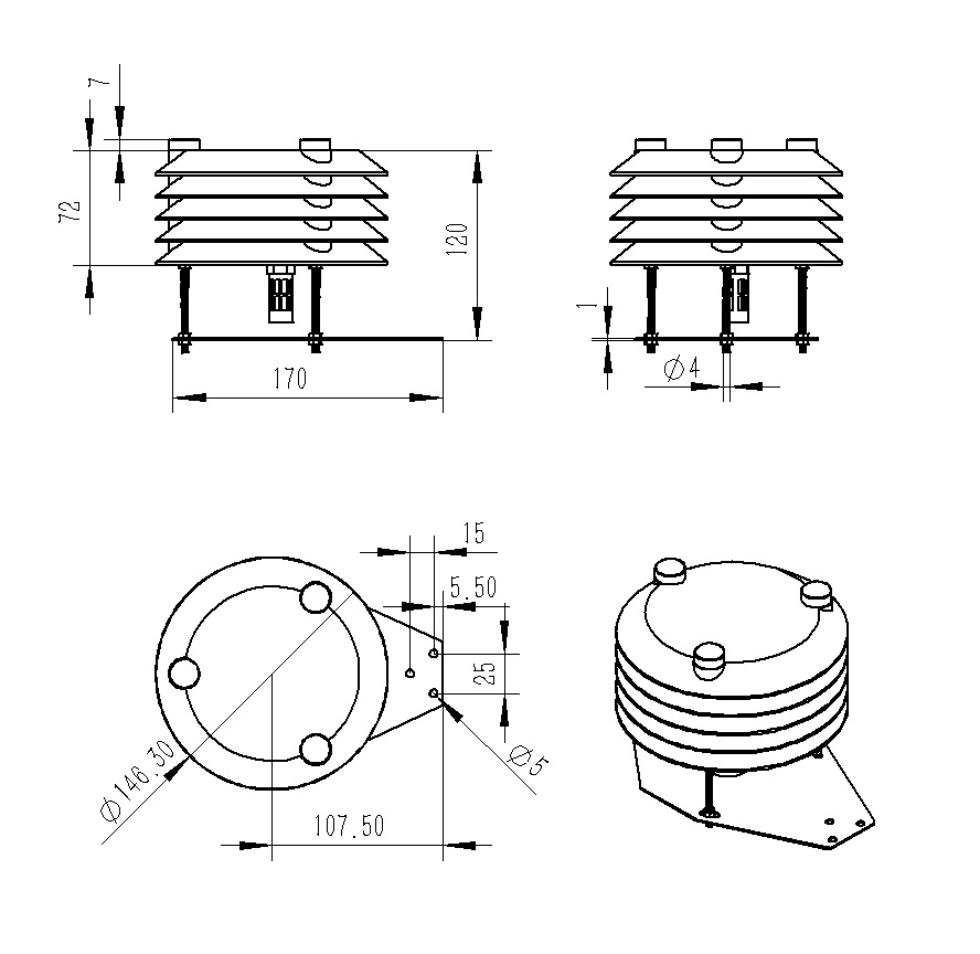
四、溫濕度大氣壓噪聲傳感器產品尺寸圖

五、溫濕度大氣壓噪聲傳感器產品結構圖

在光伏組件的檢測工作中,手持式IV測試儀(型號TH-IV1)是一種常用的便捷工具。它能幫助工作人員快速檢測光伏組件的IV曲線,了解組件的性能狀況。
孢子測報系統(型號TH-BZ1)專門監測空氣中的病蟲害孢子,能持續追蹤孢子動態,讓種植人員在病蟲害出現前做好準備,為農業生產提供防護支持。
管式土壤墑情監測系統?(型號TH-GTS系列)是專門用來監測土壤水分的一種工具,尤其適用于農業生產。該系統通過管式探頭嵌入土壤,實時測量土壤的水分含量。它的作用是幫助農民合理調節灌溉,避免土壤過干或過濕,保證作物的正常生長。
能見度監測站(型號TH-NJD系列)通過精準的測量技術,幫助監控能見度變化,保障惡劣天氣條件下的交通安全。
在湖泊、水庫、河流等自然水域中,藍綠藻的生長情況會影響水質。如果藍綠藻大量繁殖,可能會導致水體富營養化,產生有害物質,影響水生生物生存和人們的用水安全。水質藍綠藻傳感器(型號TH-S16S)就是用來監測水中藍綠藻含量的設備。
一套完善的雨污水管網監測方案,核心在于搭建專業的雨污水管網水質監測系統(型號TH-GSZ系列),通過智能化手段實時掌握管網水質狀態,為管網管理和水環境治理提供數據支撐。