天合環境科技
聯系人:王經理
聯系電話:13276363312
客服QQ:2934797297
公司郵箱:2934797297@qq.com
公司地址:山東省濰坊市高新區光電路155號光電產業加速器(一期)

聯系人:王經理
聯系電話:13276363312
客服QQ:2934797297
公司郵箱:2934797297@qq.com
公司地址:山東省濰坊市高新區光電路155號光電產業加速器(一期)

一、八要素微型氣象儀產品簡介
山東天合環境科技有限公司作為專業研發生產銷售微型氣象儀的企業,一直致力于微型氣象儀和氣象環境解決方案推廣應用。具有完整的生產鏈、實力雄厚的技術團隊和全面的營銷團隊,我們研發生產的超聲波風速風向儀、五要素微氣象儀、六要素微氣象儀和小型自動氣象站等氣象產品,已廣泛應用到氣象監測、城市環境監測、風力發電、航海船舶、航空機場、橋梁隧道等領域,客戶遍布全國各地,并取得了良好的社會效益和經濟效益。
與傳統的微型氣象儀相比,我司產品克服了對高精度計時器的需求,避免了因傳感器啟動延時、解調電路延時、溫度變化而造成的測量不準問題。
TH-WQX8型八要素微氣象儀創新性地將氣象標準參數(風速、風向、溫度、濕度、氣壓、pm2.5、pm10、噪聲)通過一個高集成度結構來實現,可實現戶外氣象參數24小時連續在線監測,通過數字量通訊接口將八項參數一次性輸出給用戶。產品結構緊湊,外形美觀、大方、高度集成。
二、八要素微型氣象儀產品特點
1、頂蓋隱藏式超聲波探頭,避免雨雪堆積的干擾,避免自然風遮擋
2、原理為發射連續變頻超聲波信號,通過測量相對相位來檢測風速風向
3、風速、風向、溫度、濕度、氣壓、pm2.5、pm10、噪聲八要素一體式
4、采用先進的傳感技術,實時測量,無啟動風速☆
5、抗干擾能力強,具有看門狗電路,自動復位功能,保證系統穩定運行
6、高集成度,無移動部件,零磨損
7、免維護,無需現場校準
8、采用ASA工程塑料室外應用常年不變色
9、產品設計輸出信號標配為RS485通訊接口(MODBUS協議);可選配232、USB、以太網接口,支持數據實時讀取☆
10、可選配無線傳輸模塊,最小傳輸間隔1分鐘
11、探頭為卡扣式設計,解決了運輸、安裝過程松動不準的問題☆
三、八要素微型氣象儀技術參數
1)風速:0~60m/s(±0.1m/s);
2)風向:0~360°(±1°)
3)空氣溫度:-40℃~85℃(±0.3℃);
4)空氣濕度:0~100%RH(±3%RH);
5)大氣壓力:300hPa~1100hPa(±0.02hPa);
6)PM2.5:0-1000ug/m3(±15%)
7)PM10:0-1000ug/m3(±15%)
8)噪聲:30~130dB(±1.5dB)
9)藍牙(選配):可內置藍牙模塊,可連安卓手機;
10)有線傳輸:485轉USB,可直連電腦;
11)生產企業具有ISO9001質量管理體系認證和計算機軟件注冊證書
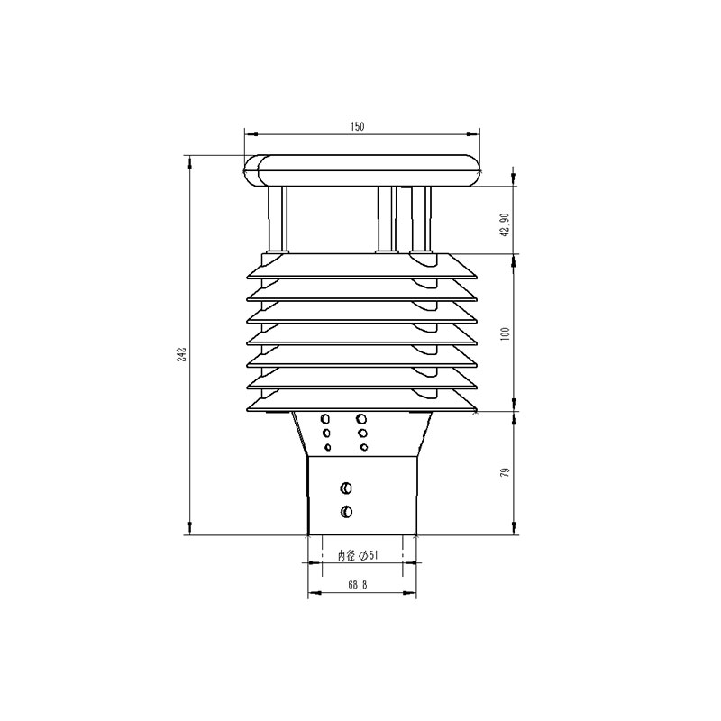
四、八要素微型氣象儀產品尺寸圖

五、八要素微型氣象儀產品結構圖

1、控制電路
2、指北箭頭
3、超聲波探頭
4、百葉箱PM2.5、PM10
5、溫度、濕度、噪聲、氣壓監測位置
6、法蘭轉換頭
※此產品可選配電子羅盤功能
六、八要素微型氣象儀產品接線定義
定義 | 備注 | |
VCC | 電源正 | DC12V |
GND | 電源地 | |
485A | RS485A | |
485B | RS485B |
在光伏組件的檢測工作中,手持式IV測試儀(型號TH-IV1)是一種常用的便捷工具。它能幫助工作人員快速檢測光伏組件的IV曲線,了解組件的性能狀況。
孢子測報系統(型號TH-BZ1)專門監測空氣中的病蟲害孢子,能持續追蹤孢子動態,讓種植人員在病蟲害出現前做好準備,為農業生產提供防護支持。
管式土壤墑情監測系統?(型號TH-GTS系列)是專門用來監測土壤水分的一種工具,尤其適用于農業生產。該系統通過管式探頭嵌入土壤,實時測量土壤的水分含量。它的作用是幫助農民合理調節灌溉,避免土壤過干或過濕,保證作物的正常生長。
能見度監測站(型號TH-NJD系列)通過精準的測量技術,幫助監控能見度變化,保障惡劣天氣條件下的交通安全。
在湖泊、水庫、河流等自然水域中,藍綠藻的生長情況會影響水質。如果藍綠藻大量繁殖,可能會導致水體富營養化,產生有害物質,影響水生生物生存和人們的用水安全。水質藍綠藻傳感器(型號TH-S16S)就是用來監測水中藍綠藻含量的設備。
一套完善的雨污水管網監測方案,核心在于搭建專業的雨污水管網水質監測系統(型號TH-GSZ系列),通過智能化手段實時掌握管網水質狀態,為管網管理和水環境治理提供數據支撐。