天合環境科技
聯系人:王經理
聯系電話:13276363312
客服QQ:2934797297
公司郵箱:2934797297@qq.com
公司地址:山東省濰坊市高新區光電路155號光電產業加速器(一期)

聯系人:王經理
聯系電話:13276363312
客服QQ:2934797297
公司郵箱:2934797297@qq.com
公司地址:山東省濰坊市高新區光電路155號光電產業加速器(一期)
更新時間:2022-07-21 15:45:24 文章來源:天合環境科技有限公司
概述
隨著社會的不斷進步和城市不斷發展,環境監測越來越備受人民關注了,傳統的環境監測已經不能滿足現代城市的發展,傳統的環境監測有諸多不便之處,例如監測設備功能單一,監測環境數據不全,監測設備間距離較遠,環境監測數據收集后不能進行采集和集中整合,導致數據公布和更新比較麻煩。
為了克服現有技術存在的不足,目前市場上已經擁有了一種帶有環境監測功能的智慧路燈,將路燈和環境監測設備相結合,提高環境監測模塊的監測密度,環境監測模塊與多種傳感器相結合,實現監測數據的集中整合,達到采集的全面性。
作為專業研發生產銷售微型氣象儀的企業,山東天合環境科技有限公司一直致力于微型氣象儀和氣象環境解決方案推廣應用。具有完整的生產鏈、實力雄厚的技術團隊和全面的營銷團隊,我們研發生產的超聲波風速風向儀、五要素微氣象儀、六要素微氣象儀和小型自動氣象站等氣象產品,已廣泛應用到氣象監測、城市環境監測、風力發電、航海船舶、航空機場、橋梁隧道等領域,客戶遍布全國各地,并取得了良好的社會效益和經濟效益。
與傳統的微型氣象儀相比,我司產品克服了對高精度計時器的需求,避免了因傳感器啟動延時、解調電路延時、溫度變化而造成的測量不準問題。
TH-WQX8型八要素微氣象儀創新性地將氣象標準參數(風速、風向、溫度、濕度、氣壓、pm2.5、pm10、噪聲)通過一個高集成度結構來實現,可實現戶外氣象參數24小時連續在線監測,通過數字量通訊接口將八項參數一次性輸出給用戶。產品結構緊湊,外形美觀、大方、高度集成。
產品特點
1、頂蓋隱藏式超聲波探頭,避免雨雪堆積的干擾,避免自然風遮擋(實用新型專利,專利號ZL 2020 2 3215713.X)☆
2、原理為發射連續變頻超聲波信號,通過測量相對相位來檢測風速風向(發明專利,專利號ZL 2021 1 0237536.5)☆
3、風速、風向、溫度、濕度、氣壓、pm2.5、pm10、噪聲八要素一體式(實用新型專利,專利號ZL 2020 2 3215649.5)☆
4、采用先進的傳感技術,實時測量,無啟動風速☆
5、抗干擾能力強,具有看門狗電路,自動復位功能,保證系統穩定運行
6、高集成度,無移動部件,零磨損
7、免維護,無需現場校準
8、采用ASA工程塑料室外應用常年不變色
9、產品設計輸出信號標配為RS485通訊接口(MODBUS協議);可選配232、USB、以太網接口,支持數據實時讀取☆
10、可選配無線傳輸模塊,最小傳輸間隔1分鐘
11、探頭為卡扣式設計,解決了運輸、安裝過程松動不準的問題☆
技術參數
1)風速:0~70m/s(±0.1m/s);(北京市氣象局校準證書)☆
2)風向:0~360°(±1°);(北京市氣象局校準證書)☆
3)空氣溫度:-40℃~85℃(±0.3℃);(北京市氣象局校準證書)☆
4)空氣濕度:0~100%RH(±2%RH);(北京市氣象局校準證書)☆
5)大氣壓力:300hPa~1100hPa(±0.02hPa);(北京市氣象局校準證書)☆
6)PM2.5:0-1000ug/m3(±15%)
7)PM10:0-1000ug/m3(±15%)
8)噪聲:30~130dB(±1.5dB)
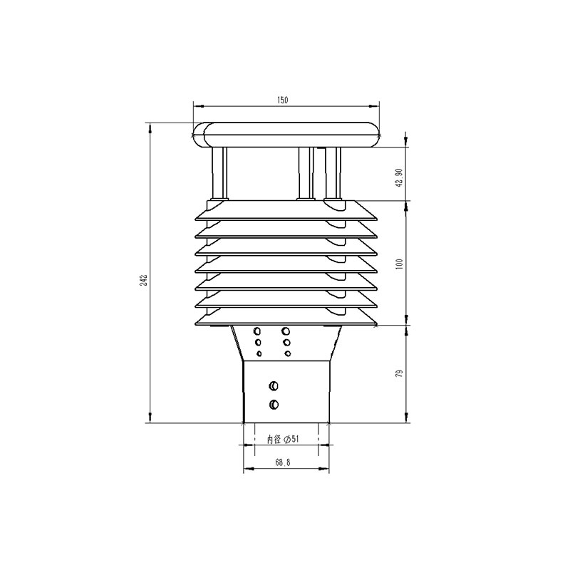
產品尺寸圖

產品結構圖

1、控制電路
2、指北箭頭
3、超聲波探頭
4、百葉箱PM2.5、PM10
5、溫度、濕度、噪聲、氣壓監測位置
6、法蘭轉換頭
※此產品可選配電子羅盤功能
應用圖片


液晶屏防爆氣象站是山東天合根據市場需求,針對化工廠、油庫等特殊場所而研發生產的一款一體化氣象站,集數據采集、存儲、顯示、通訊于一體,通過有線的通訊方式與后臺上位機管理軟件或者中控室PLC、DCS對接,進行數據的處理分析。液晶屏防爆氣象站設備可以應用在多個場景下,對氣象要素進行精準監測。易燃液體的膨脹系數一
隨著農業科技的發展,土壤墑情監測的重要性日益凸顯。探針式土壤墑情監測站作為一種新興的監測工具,在土壤水分管理中發揮著至關重要的作用。本文將深入探討這一設備的功能、工作原理及其在農業生產中的應用價值。探針式土壤墑情監測站主要通過土壤水分探針對土壤中的水分狀況進行實時監測。這些探針通常埋設在土壤中,利用
天合戶外負氧離子監測站能監測什么?空氣中的負氧離子對我們的身體很好,但是人工負氧離子長期吸入,會影響健康,這也是人工負氧離子與自然負離子(生態負離子)的最大區別。空氣負氧離子對人體有益,科學研究證明,人體合適的負離子含量(濃度)為3萬~4萬/平方米,但是含量過高就會產生反作用,所以實時監測空氣中的負氧離子含量是對我們健康負責的一種方式。天合
氣候不斷變化嚴重影響了我們的身體健康,而負氧離子的研究表明,它可以恢復血管彈性,改變周圍循環。然而,在被污染的空氣中,負氧離子會與空氣中的灰塵結合,形成有害的污染顆粒,加劇原空氣中污染物對人體的危害。所以,我們在利用負氧離子保健的時候需要對負氧離子進行監測,保障我們更好的使用負氧離子。云境天合負氧離